型号:AM4T-4818DZ
| 概览 | |
||
| 型号 | AM4T-4818DZ | 制造商 | AIMTEC |
| 所属系列 | AM4T-Z | 产品类别 | 直流到直流电源(DC/DC) |
| 功能描述 | 免费注册 或 登录 查看说明 | ||
| 详细参数 | |||
| 型号 | AM4T-4818DZ | 稳压输出 | REGULATED(1-3%) |
| 输出功率 | 4W | 短路保护 | CONTINUOUS |
| 输入电压 | 36-72VDC | 温度范围 | -40-85°C |
| 输出电压 | ±18VDC | 效率 | |
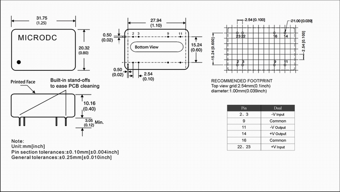
| 封装 | DIP24 | 是否进口 | 否 |
| 封装尺寸 | 31.75*20.32*10.16mm | 认证 | CE,ROHS |
| 最大输出电流 | ±111mA | 品质等级 | High quality |
| 隔离电压 | 1000VDC VDC | 外壳材料 | mental |
| 引脚排列图 | 查看 | ||
查看制造商AIMTEC的系列AM4T-Z更多型号电源
查看其它制造商相似的
直流到直流(DC/DC)




