交流直流工业电源 应用支持 133-229-86133
会员登录 注册账号 联系我们
我的询价 询价历史记录
以关键字开始
型号:WRF1212YD-4W
WRF1212YD-4Wpdf下载
概览
型号 WRF1212YD-4W 制造商 MICRODC
所属系列 WRF-YD-4W 产品类别 直流到直流电源(DC/DC)
功能描述 免费注册 登录 查看说明
详细参数
型号 WRF1212YD-4W 稳压输出 REGULATED(1-3%)
输出功率 4W 短路保护 CONTINUOUS
输入电压 9-18VDC 温度范围 -40-85°C
输出电压 12VDC 效率
封装 DIP24 是否进口
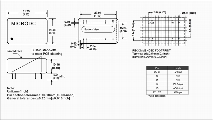
封装尺寸 31.75*20.32*10.16mm 认证 CE,ROHS
最大输出电流 333mA 品质等级 High quality
隔离电压 3000VDC VDC 外壳材料 mental
引脚排列图 查看
查看制造商MICRODC的系列WRF-YD-4W更多型号电源
查看其它制造商相似的 直流到直流(DC/DC)
在线咨询
留言询价