型号:P7805-Q24-S3-S
| 概览 | |
||
| 型号 | P7805-Q24-S3-S | 制造商 | CUIINC |
| 所属系列 | P7805-S | 产品类别 | 直流到直流电源(DC/DC) |
| 功能描述 | 免费注册 或 登录 查看说明 | ||
| 详细参数 | |||
| 型号 | P7805-Q24-S3-S | 稳压输出 | REGULATED(1-3%) |
| 输出功率 | 500mA | 短路保护 | CONTINUOUS |
| 输入电压 | 4.75-28VDC | 温度范围 | -40˚cto 85˚c |
| 输出电压 | 3.3 -3.3VDC | 效率 | |
| 封装 | SIP3 | 是否进口 | 是 |
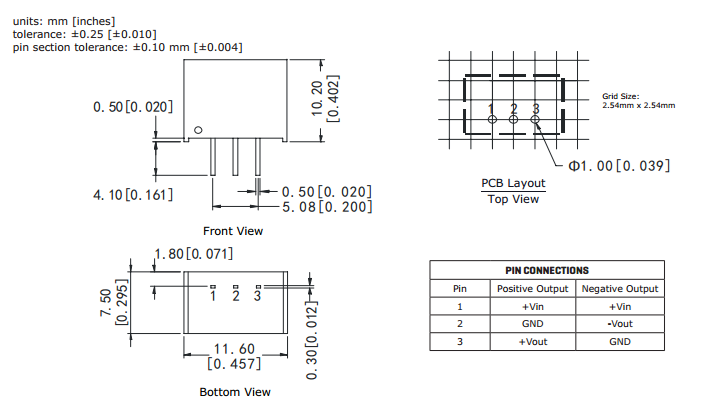
| 封装尺寸 | 11.60x7.50x10.20mm | 认证 | RoHS,CE |
| 最大输出电流 | 500/-400mA | 品质等级 | High quality |
| 隔离电压 | NON-ISOLATED VDC | 外壳材料 | plastics |
| 引脚排列图 | 查看 | ||
查看制造商CUIINC的系列P7805-S更多型号电源
查看其它制造商相似的
直流到直流(DC/DC)




