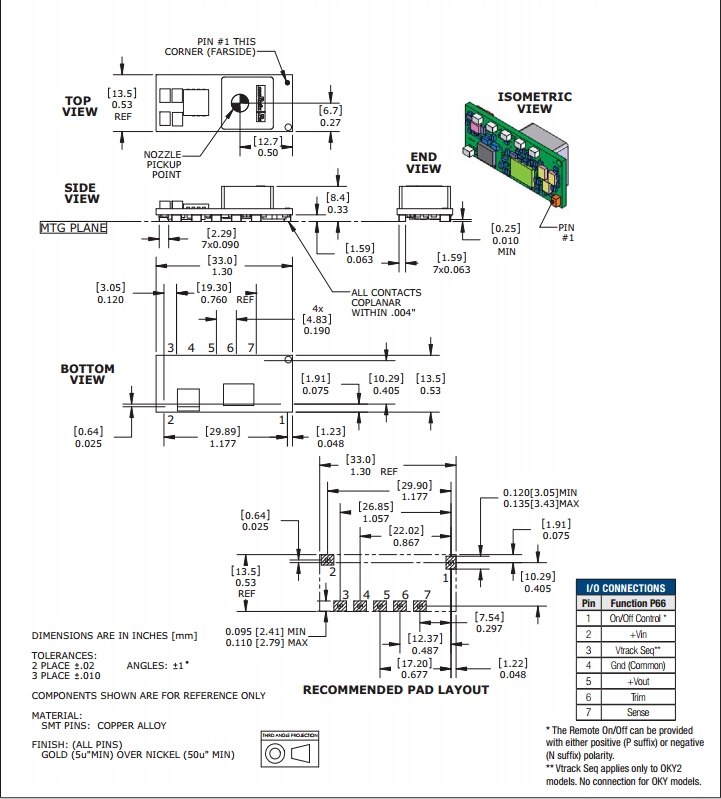
型号:OKY-T/10-D12P-C
| 概览 | |
||
| 型号 | OKY-T/10-D12P-C | 制造商 | MURATA |
| 所属系列 | OKY-T/10/T/16-D12 | 产品类别 | 直流到直流电源(DC/DC) |
| 功能描述 | 免费注册 或 登录 查看说明 | ||
| 详细参数 | |||
| 型号 | OKY-T/10-D12P-C | 稳压输出 | REGULATED(1-3%) |
| 输出功率 | 50W | 短路保护 | CONTINUOUS |
| 输入电压 | 8.3-14VDC | 温度范围 | -40˚cto+85˚c |
| 输出电压 | 0.7525-5.5VDC | 效率 | 94 % |
| 封装 | 是否进口 | 是 | |
| 封装尺寸 | 33x13.5x8.4mm | 认证 | RoHS,CE |
| 最大输出电流 | 10A | 品质等级 | High quality |
| 隔离电压 | 外壳材料 | ||
| 引脚排列图 | 查看 | ||
查看制造商MURATA的系列OKY-T/10/T/16-D12更多型号电源
查看其它制造商相似的
直流到直流(DC/DC)




