型号:OKY-T/10-W5N-C
| 概览 | |
||
| 型号 | OKY-T/10-W5N-C | 制造商 | MURATA |
| 所属系列 | OKY-T/10/T/16-W5 | 产品类别 | 直流到直流电源(DC/DC) |
| 功能描述 | 免费注册 或 登录 查看说明 | ||
| 详细参数 | |||
| 型号 | OKY-T/10-W5N-C | 稳压输出 | REGULATED(1-3%) |
| 输出功率 | 33W | 短路保护 | CONTINUOUS |
| 输入电压 | 2.4-5.5VDC | 温度范围 | -40˚cto+85˚c |
| 输出电压 | 0.7525-3.63VDC | 效率 | 95 % |
| 封装 | 是否进口 | 是 | |
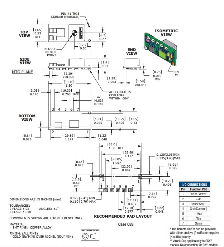
| 封装尺寸 | 33x13.5x8.4mm | 认证 | RoHS,CE |
| 最大输出电流 | 10mA | 品质等级 | High quality |
| 隔离电压 | 外壳材料 | ||
| 引脚排列图 | 查看 | ||
查看制造商MURATA的系列OKY-T/10/T/16-W5更多型号电源
查看其它制造商相似的
直流到直流(DC/DC)
- TDD40-03S2
- TDD40-03S3
- PQA50-D24-S3-D
- PQA50-D48-S3-D
- VQE50W-Q24-S3R3
- VQE50W-Q48-S3R3
- VHB50W-Q24-S3R3
- VHB50W-Q48-S3R3
- PQA50-D24-S3-T
- PQA50-D48-S3-T
- PQA50-D24-S3-TH
- PQA50-D48-S3-TH
- VHK50W-Q24-S3R3
- VHK50W-Q48-S3R3
- VHK50W-Q24-S3R3-DIN
- VHK50W-Q48-S3R3-DIN
- OKY-T/10-W5P-C
- OKY-T/10-W5N-C
- OKY2-T/10-W5P-C
- OKY2-T/10-W5N-C




