型号:WDF600-280S12
| 概览 | |
||
| 型号 | WDF600-280S12 | 制造商 | Wispower |
| 所属系列 | WDF600-280 | 产品类别 | 直流到直流电源(DC/DC) |
| 功能描述 | 免费注册 或 登录 查看说明 | ||
| 详细参数 | |||
| 型号 | WDF600-280S12 | 稳压输出 | REGULATED(1-3%) |
| 输出功率 | 600W | 短路保护 | CONTINUOUS |
| 输入电压 | 200-400VDC | 温度范围 | -40˚cto+85˚c |
| 输出电压 | 12VDC | 效率 | 92 % |
| 封装 | 是否进口 | 是 | |
| 封装尺寸 | mm | 认证 | RoHS,CE |
| 最大输出电流 | 50mA | 品质等级 | High quality |
| 隔离电压 | 1500 VDC | 外壳材料 | metal |
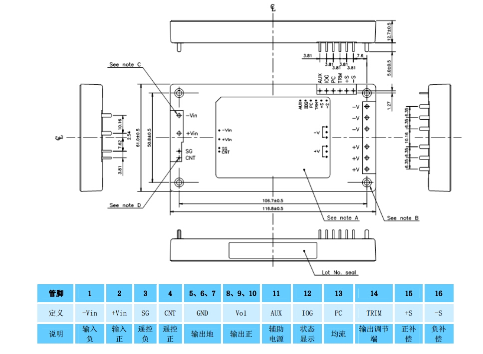
| 引脚排列图 | 查看 | ||
查看制造商Wispower的系列WDF600-280更多型号电源
查看其它制造商相似的
直流到直流(DC/DC)
- VFB600-D24-S48
- VFB600-D48-S12
- VFB600-D48-S24
- VFK600-D24-S12
- VFK600-D24-S24
- VFK600-D24-S28
- VFK600-D48-S48
- VFK600-D24-S12-DIN
- VFK600-D24-S24-DIN
- VFB600-D24-S24
- VFB600-D24-S32
- VFB600-D48-S32
- MDL24-30-600W(A)
- VFK600-D24-S48
- VFK600-D48-S24
- VFB600-D24-S12
- VFB600-D24-S28
- VFB600-D48-S48
- PMD60024S12WFB
- PMD60024S28WFB




