型号:NSD10-12S5
| 概览 | |
||
| 型号 | NSD10-12S5 | 制造商 | MEAN WELL |
| 所属系列 | NSD10-S | 产品类别 | 直流到直流电源(DC/DC) |
| 功能描述 | 免费注册 或 登录 查看说明 | ||
| 详细参数 | |||
| 型号 | NSD10-12S5 | 稳压输出 | UNREGULATED,REGULATED(1-3%) |
| 输出功率 | 10W | 短路保护 | 是 |
| 输入电压 | 9.2-36VDC | 温度范围 | -45°C- 95°C |
| 输出电压 | 05VDC | 效率 | |
| 封装 | 2x1 | 是否进口 | 是 |
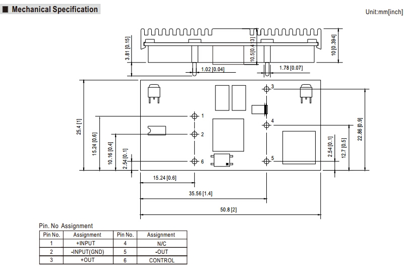
| 封装尺寸 | 50.8x25.4x10.0mm | 认证 | CB,CE |
| 最大输出电流 | 2mA | 品质等级 | High quality |
| 隔离电压 | 1000 VDC | 外壳材料 | mental |
| 引脚排列图 | 查看 | ||
查看制造商MEAN WELL的系列NSD10-S 更多型号电源
查看其它制造商相似的
直流到直流(DC/DC)




