型号:ASD15H-12S15
| 概览 | |
||
| 型号 | ASD15H-12S15 | 制造商 | ASTRODYNE |
| 所属系列 | ASD15H | 产品类别 | 直流到直流电源(DC/DC) |
| 功能描述 | 免费注册 或 登录 查看说明 | ||
| 详细参数 | |||
| 型号 | ASD15H-12S15 | 稳压输出 | REGULATED(1-3%) |
| 输出功率 | 15W | 短路保护 | CONTINUOUS |
| 输入电压 | 9-18VDC | 温度范围 | -40˚cto+85˚c |
| 输出电压 | 15VDC | 效率 | |
| 封装 | 是否进口 | 是 | |
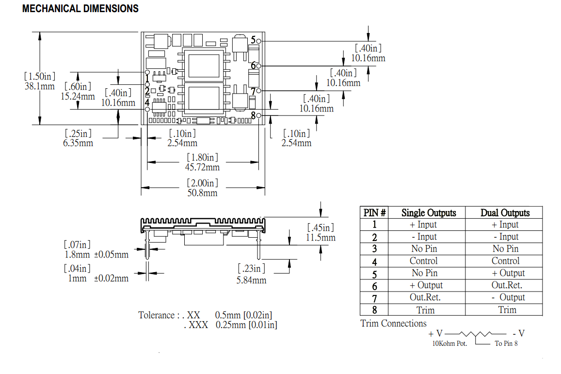
| 封装尺寸 | 50.8x31.8x11.5mm | 认证 | RoHS,CE |
| 最大输出电流 | 1A | 品质等级 | High quality |
| 隔离电压 | 1500 VDC | 外壳材料 | Aluminum Alloy |
| 引脚排列图 | 查看 | ||
查看制造商ASTRODYNE的系列ASD15H更多型号电源
查看其它制造商相似的
直流到直流(DC/DC)
- WRB2403YMD-15W
- WRB2405YMD-15W
- WRB2412YMD-15W
- WRB2415YMD-15W
- WRB4803YMD-15W
- WRB4805YMD-15W
- WRB4812YMD-15W
- WRB4815YMD-15W
- WRA1205YMD-15W
- WRA1212YMD-15W
- WRA1215YMD-15W
- WRB1203YMD-4000
- WRB1205YMD-15W
- WRB1212YMD-15W
- WRB1215YMD-15W
- WRA2405YMD-15W
- WRA2412YMD-15W
- WRA2415YMD-15W
- WRB2403YMD-4000
- WRA4805YMD-15W




