型号:REC3-1205DR/H1/M
| 概览 | |
||
| 型号 | REC3-1205DR/H1/M | 制造商 | RECOM |
| 所属系列 | REC3-SR_DR/H1 | 产品类别 | 直流到直流电源(DC/DC) |
| 功能描述 | 免费注册 或 登录 查看说明 | ||
| 详细参数 | |||
| 型号 | REC3-1205DR/H1/M | 稳压输出 | REGULATED(1-3%) |
| 输出功率 | 3W | 短路保护 | CONTINUOUS |
| 输入电压 | 10.2-13.8VDC | 温度范围 | -40°Cto+85°C |
| 输出电压 | ±5VDC | 效率 | |
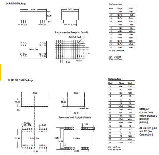
| 封装 | DIP24 | 是否进口 | 是 |
| 封装尺寸 | 32.00/20.30/10.20mm | 认证 | RoHS,CE |
| 最大输出电流 | ±300mA | 品质等级 | High quality |
| 隔离电压 | 1000 VDC | 外壳材料 | Metal |
| 引脚排列图 | 查看 | ||
查看制造商RECOM的系列REC3-SR_DR/H1更多型号电源
- REC3-0512DR/H1/M
- REC3-2412DR/H1
- REC3-2412DR/H1/SMD
- REC3-1212SR/H1/SMD/R
- REC3-2405DR/H1/SMD
- REC3-0515DR/H1
- REC3-1212DR/H1/SMD
- REC3-1205DR/H1/SMD/R
- REC3-0512DR/H1/SMD/R
- REC3-1212DR/H1/SMD/R
- REC3-0515DR/H1/M
- REC3-2415SR/H1
- REC3-1215DR/H1/M
- REC3-0505DR/H1/SMD/R
- REC3-1212SR/H1/SMD
- REC3-1205DR/H1/SMD
- REC3-1212DR/H1
- REC3-1215SR/H1/SMD/R
- REC3-1205SR/H1/SMD/R
- REC3-1215SR/H1/SMD
查看其它制造商相似的
直流到直流(DC/DC)




