型号:VSK-S20-9U
| 概览 | |
||
| 型号 | VSK-S20-9U | 制造商 | CUIINC |
| 所属系列 | VSK-S20 | 产品类别 | 交流到直流电源(AC/DC) |
| 功能描述 | 免费注册 或 登录 查看说明 | ||
| 详细参数 | |||
| 型号 | VSK-S20-9U | 稳压输出 | REGULATED(1-3%) |
| 输出功率 | 20W | 短路保护 | CONTINUOUS |
| 输入电压 | 85-264VAC | 温度范围 | -40˚cto+85˚c |
| 输出电压 | 9VDC | 效率 | 77 % |
| 封装 | DIP | 是否进口 | 是 |
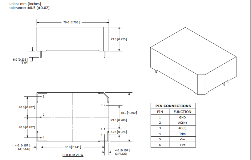
| 封装尺寸 | 70.0x48.0x23.5mm | 认证 | RoHS,CE |
| 最大输出电流 | 2.1A | 品质等级 | High quality |
| 隔离电压 | 外壳材料 | plastics | |
| 引脚排列图 | 查看 | ||
查看制造商CUIINC的系列VSK-S20更多型号电源
查看其它制造商相似的
交流到直流(AC/DC)




