型号:PDS1-S5-D5-M
| 概览 | |
||
| 型号 | PDS1-S5-D5-M | 制造商 | CUIINC |
| 所属系列 | PDS1-S-M | 产品类别 | 直流到直流电源(DC/DC) |
| 功能描述 | 免费注册 或 登录 查看说明 | ||
| 详细参数 | |||
| 型号 | PDS1-S5-D5-M | 稳压输出 | REGULATED(1-3%) |
| 输出功率 | 1W | 短路保护 | CONTINUOUS |
| 输入电压 | 4.5-5.5VDC | 温度范围 | -40˚cto+85˚c |
| 输出电压 | ±5VDC | 效率 | |
| 封装 | SMT | 是否进口 | 是 |
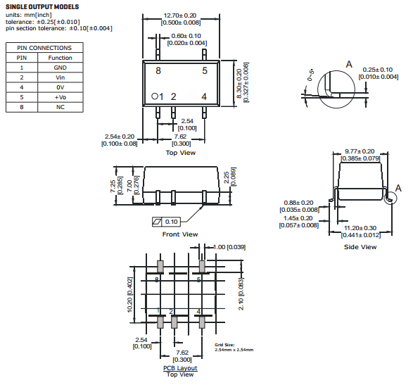
| 封装尺寸 | 12.7x8.3x7.25mm | 认证 | RoHS,CE |
| 最大输出电流 | ±100mA | 品质等级 | High quality |
| 隔离电压 | 1500 VDC | 外壳材料 | plastics |
| 引脚排列图 | 查看 | ||
查看制造商CUIINC的系列PDS1-S-M更多型号电源
查看其它制造商相似的
直流到直流(DC/DC)




