型号:WRN7812-1000
| 概览 | |
||
| 型号 | WRN7812-1000 | 制造商 | MICRODC |
| 所属系列 | WRN78-1000 | 产品类别 | 直流到直流电源(DC/DC) |
| 功能描述 | 免费注册 或 登录 查看说明 | ||
| 详细参数 | |||
| 型号 | WRN7812-1000 | 稳压输出 | REGULATED(1-3%) |
| 输出功率 | 1000mA | 短路保护 | CONTINUOUS |
| 输入电压 | 16-32VDC | 温度范围 | -40-85°C |
| 输出电压 | 12VDC | 效率 | |
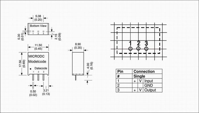
| 封装 | SIP3 | 是否进口 | 否 |
| 封装尺寸 | 17.5*11.50*8.90mmmm | 认证 | CE,ROHS |
| 最大输出电流 | 1000mA | 品质等级 | High quality |
| 隔离电压 | NON-ISOLATED VDC | 外壳材料 | plastics |
| 引脚排列图 | 查看 | ||
查看制造商MICRODC的系列WRN78-1000更多型号电源
查看其它制造商相似的
直流到直流(DC/DC)




