型号:MYC60-48S5W
| 概览 | |
||
| 型号 | MYC60-48S5W | 制造商 | Bothhand USA |
| 所属系列 | MYC60W | 产品类别 | 直流到直流电源(DC/DC) |
| 功能描述 | 免费注册 或 登录 查看说明 | ||
| 详细参数 | |||
| 型号 | MYC60-48S5W | 稳压输出 | REGULATED(1-3%) |
| 输出功率 | 60W | 短路保护 | CONTINUOUS |
| 输入电压 | 18-75VDC | 温度范围 | : -55°C to 95°C |
| 输出电压 | 24VDC | 效率 | |
| 封装 | DIL,SIL,DIL,SIL | 是否进口 | 是 |
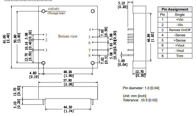
| 封装尺寸 | 61.00*57.90*12.70 | 认证 | RoHS,CE |
| 最大输出电流 | 2500 | 品质等级 | High quality |
| 隔离电压 | 1.5K VDC VDC | 外壳材料 | Plastics or metal |
| 引脚排列图 | 查看 | ||
查看制造商Bothhand USA的系列MYC60W更多型号电源
查看其它制造商相似的
直流到直流(DC/DC)




