型号:HBA1-12S3H8
| 概览 | |
||
| 型号 | HBA1-12S3H8 | 制造商 | Bothhand USA |
| 所属系列 | HBA1 | 产品类别 | 直流到直流电源(DC/DC) |
| 功能描述 | 免费注册 或 登录 查看说明 | ||
| 详细参数 | |||
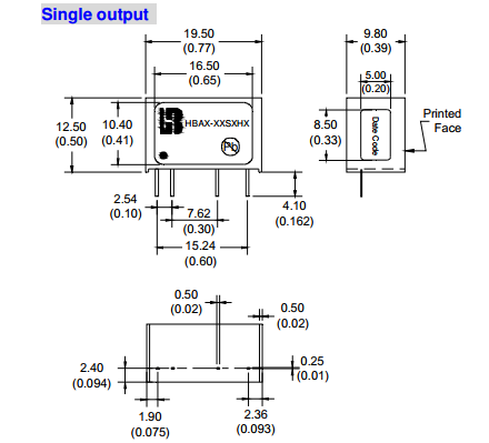
| 型号 | HBA1-12S3H8 | 稳压输出 | regulated |
| 输出功率 | 1W | 短路保护 | 1 second |
| 输入电压 | 12VDC | 温度范围 | -40°C to 85°C |
| 输出电压 | 15VDC | 效率 | |
| 封装 | SIP7 | 是否进口 | 是 |
| 封装尺寸 | 19.5 ×12.5 × 9.8 mm | 认证 | RoHS |
| 最大输出电流 | 66 | 品质等级 | High |
| 隔离电压 | ≥8000VDC VDC | 外壳材料 | Plastic |
| 引脚排列图 | 查看 | ||
查看制造商Bothhand USA的系列HBA1更多型号电源
查看其它制造商相似的
直流到直流(DC/DC)




