交流直流工业电源 应用支持 133-229-86133
会员登录 注册账号 联系我们
我的询价 询价历史记录
以关键字开始
型号:VMS-300-12-CFS
VMS-300-12-CFSpdf下载
概览
型号 VMS-300-12-CFS 制造商 CUIINC
所属系列 VMS-300-CF 产品类别 交流到直流电源(AC/DC)
功能描述 免费注册 登录 查看说明
详细参数
型号 VMS-300-12-CFS 稳压输出 REGULATED(1-3%)
输出功率 300W 短路保护 CONTINUOUS
输入电压 90-264VAC 温度范围 -40˚cto+85˚c
输出电压 12VDC 效率 82 %
封装 是否进口
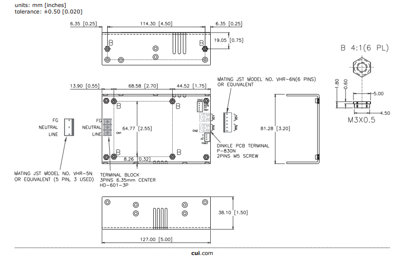
封装尺寸 127x81.28x38.1mm 认证 RoHS,CE
最大输出电流 25A 品质等级 High quality
隔离电压 外壳材料 metal
引脚排列图 查看
查看制造商CUIINC的系列VMS-300-CF更多型号电源
查看其它制造商相似的 交流到直流(AC/DC)
在线咨询
留言询价