交流直流工业电源 应用支持 133-229-86133
会员登录 注册账号 联系我们
我的询价 询价历史记录
以关键字开始
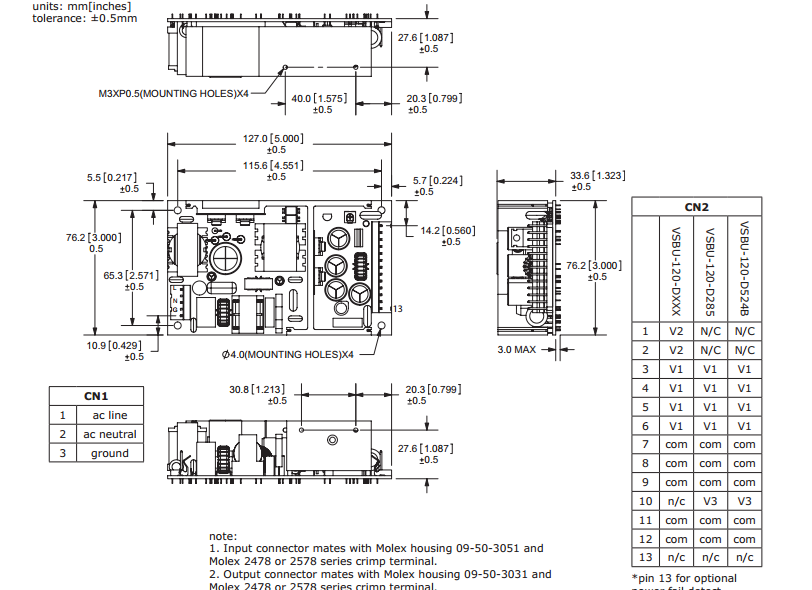
型号:VSBU-120-D285
VSBU-120-D285pdf下载
概览
型号 VSBU-120-D285 制造商 CUIINC
所属系列 VSBU-120-D 产品类别 交流到直流电源(AC/DC)
功能描述 免费注册 登录 查看说明
详细参数
型号 VSBU-120-D285 稳压输出 REGULATED(1-3%)
输出功率 120W 短路保护 CONTINUOUS
输入电压 90-260VAC 温度范围 -40˚cto+85˚c
输出电压 5VDC 效率 80 %
封装 是否进口
封装尺寸 127.0x76.2x33.6mm 认证 RoHS,CE
最大输出电流 3.92A 品质等级 High quality
隔离电压 外壳材料 metal
引脚排列图 查看
查看制造商CUIINC的系列VSBU-120-D更多型号电源
查看其它制造商相似的 交流到直流(AC/DC)
在线咨询
留言询价